咨詢電話
13924666952
400-158-1606

運動控制精度0.1mm;
單個軸功率覆蓋范圍:100W~750W;
4.3"LCD,中英文顯示,人機界面友好;
運動控制與伺服控制集于一身,縮減連線,降低整機成本;
系統響應速度更快,動作控制精度更高;
預置針對不同工藝的多種控制模板;
豐富的保護功能,自動檢測機器運行狀態,及時顯示故障報警及原因,確保長期安全穩定運行;
U盤升級:可隨時更新系統,持續獲得穩定支持;
支持注冊功能。
產品概述
華成注塑驅控一體機械手控制系統,集成主控單元(邏輯+運動控制),整流單元,驅動單元,IO單元,可適配1~2軸,100w~750w電機功率段的應用場合。該系統采用單芯片架構方案,高性能ARM處理器,伺服驅動部分采用業界高性能硬體,最大限度增益免調整,具有陷波器,末端震動抑制等高級功能。豐富的擴展通訊接口,可靈活配合其它生產輔助設備使用。
產品特點
(1)運動控制精度0.1mm;
(2)單個軸功率覆蓋范圍:100W~750W;
(3)4.3"LCD,中英文顯示,人機界面友好;
(4)運動控制與伺服控制集于一身,縮減連線,降低整機成本;
(5)系統響應速度更快,動作控制精度更高;
(6)預置針對不同工藝的多種控制模板;
(7)豐富的保護功能,自動檢測機器運行狀態,及時顯示故障報警及原因,確保長期安全穩定運行;
(8)U盤升級:可隨時更新系統,持續獲得穩定支持;
(9)支持注冊功能。
產品應用
產品可廣泛適用在注塑取出、高精度模內嵌件、高速取出、模內貼標等注塑機械手行業應用。


注意:如果配剎車電機,需配一個單路電源單獨供電。
主控尺寸圖:

安裝方式 | 螺絲規格 | 螺絲長度(max) | 安裝扭矩(max) |
螺絲固定 | M5 | 8mm | 7.5kgf.cm |
手控器尺寸圖:

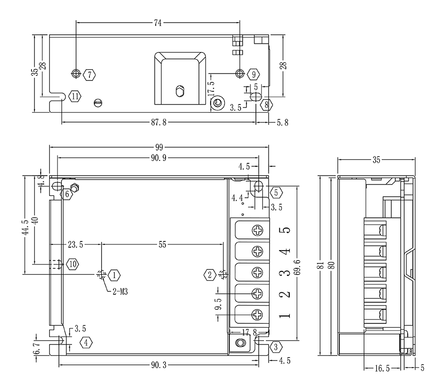
單路開關電源安裝尺寸及接線:

注:用戶自行評估電源規格是否滿足IO電流
安裝方式 | 安裝位號 | 螺絲規格 | 螺絲長度(max) | 安裝扭矩(max) |
螺絲固定 | ①--② ⑦--⑨ | M3 | 5mm | 6.5kgf.cm |
③--⑥
| M3 | 3mm | 7kgf.cm |
電動調位板尺寸圖:

產品安全認證——CE認證報告

版權所有 ? 深圳市華成工業控制股份有限公司 未經許可不得復制、轉載或摘編,違者必究 版權聲明
Copyright ? Shenzhen Huacheng Industrial Control Co., Ltd. All Rights Reserved.
網站ICP備案號: 粵ICP備19106162號
技術支持:新新網絡