首頁
產品中心
服務與支持
解決方案
新聞動態
關于我們
聯系我們
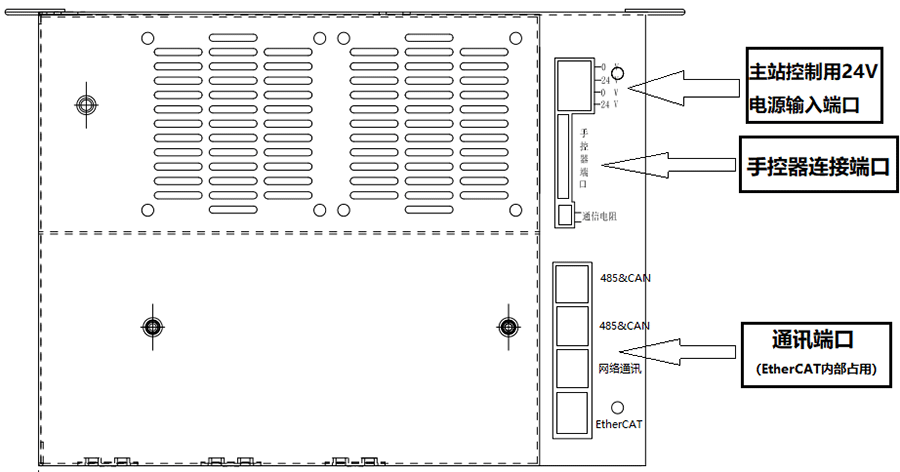
車床機械手控制系統驅控一體化EC-L5五軸系統,驅控一體箱體整體外觀接線說明:
版權所有 ? 深圳市華成工業控制股份有限公司 未經許可不得復制、轉載或摘編,違者必究 版權聲明
Copyright ? Shenzhen Huacheng Industrial Control Co., Ltd. All Rights Reserved.
網站ICP備案號: 粵ICP備19106162號
技術支持:新新網絡
咨詢電話
13924666952
400-158-1606
官方客服微信